Sald-A-Boom #1 (hardware)
I’m gonna be honest.
I saw (a long time ago) the legendary Jack Black’s performance at Jimmy Fallon, and immediatly I thought: “I need to build one of those Sax-A-Boom”.
Me from the future: GitHib project here.
The skeleton
First things first: it’s a saxophone. After this revelation, the next steps were:
- Open [insert marketplace here]
- Search “saxophone toy”
ORDER BY price ASC- Buy the first item that has enough buttons (
8)
I ended up buying the Bontempi Baby Saxophone.

The brain
I need a place to store those Jacky-Blacky sounds. I suppose microSD cards should be sufficient for the task. Also, I may need to output the sound somewhere (possibly). My grandpa’s name was Arduino, and I’m currently in Italy. You get the gist.
The problem: which Arduino board? I was happy to discover the existence of the MKR Zero model:
- MicroSD port? Yup.
- Li-ion battery port? Check.
- Rechearge battery while connected to USB? Check.
- Simple-as-hell environment with a ton of libs? Check.
- Enough power to handle audio files? Check.
- Low power consumption? Check.
The heart
Boring musicians might say that what makes a saxophone a saxophone is how it sounds. True musicians know for sure that the secret to a wonderful musical performance lies in who plays the instrument, not in the instrument itself! And that was the longest way ever to say “The stock 2W cardboard speaker is more than enough”.
Searching The Internetâ„¢ for inspiration, I found the ArduinoSound project. It supports SAMD21 boards and I2S audio devices out-of-the-box. Splendid! I just so happened to have a spare MAX98357 breakout board from a past failed project.
Now we’re talking!
The mouth
Not knowing that the original Sax-A-Boom doesn’t have any kind of “blowing detection” feature, I was already prepared to integrate some sort of blow-detection mechanism to create a more realistic digital saxophone.
Luckily, opening the toy’s shell revealed an interesting discovery…

That’s an electret microphone! That baby toy had the blowing sensor that was missing from the original Sax-A-Boom! Not bad, Bontempi, not bad.
A quick “Arduino electret mic” search revealed the existence of the MAX4466 amplifier, which is often used to amplify the microphone signal to feed an Arduino’s analog input.
Move on.
The nipples
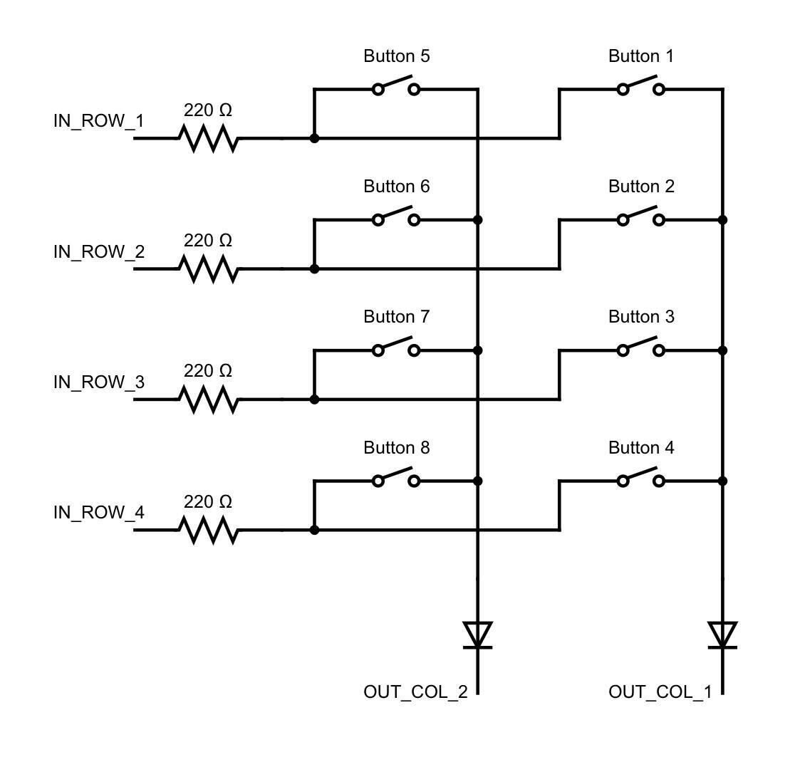
Having gambled with Lady Luck on how the saxophone would be built, I quickly discovered that the button rails had 8 buttons and 6 pins. Before this experience, I wasn’t aware of the mystical multiplexing method used to create a button matrix.
Basically, you can use N inputs and M outputs to drive an N x M button matrix. There are also some little details about floating/ghosting and diodes. I’ve found a lot of YouTube videos that explain the problem really well.
The final circuit was this one:

Pins marked as IN_ROW_N are input pins. These pins support INPUT_PULLUP natively, so they’re active when driven to ground (zero volts).
Pins marked as OUT_COL_M are output pins, driven sequentially from HIGH (disabled state) to LOW (at which point we can read the rows). Then they go back to HIGH and move to the next column.
Resistors are a useless addition, but I use them because I have trust issues when dealing with currents.
The pinky
Add the official MKR Proto Shield as the distribution board, a 10 kOhm potentiometer as the volume pot, and a generic 700mAh single-cell Li-Po.
To the laboratory!
Prototype
One eternity later… (cue SpongeBob narrator voice)

Rise and shine, my beast. Rise, and shine!